Устройство электрического щита
Перед тем как провести балансировку нагрузки по фазам в частном доме, убедитесь в правильной организации электрощитка, куда поступает напряжение с подстанции. В данной ситуации важно, чтобы в нем были следующие компоненты:
- Автоматический выключатель (автомат).
- Трёхфазный прибор учёта электроэнергии.
- Автоматические выключатели или УЗО (устройства защитного отключения), на которые (по-отдельности) приходит каждая фаза. Общий ноль подключается к нулевой шине.
- Защитный проводник заземления соединяется с общей шиной заземления.

Один из вариантов подключения электрощитка Источник cdn.elec.ru
Важно! Представленный перечень приведён в порядке подключения кабеля с опоры ВЛЭП (воздушной линии электропередач).
Как распределить нагрузку по фазам в частном доме?
Теперь давайте вместе подумаем, что из этого будет работать совместно, а что вряд ли. И сделаем некую виртуальную модель как распределить нагрузку по фазам в частном доме. Для этого посчитаем возможную максимальную мощность.
Итак, как мы видим самое нагруженное помещение в доме — кухня.
Самая мощная в доме — варочная поверхность. Для загородного дома использовать необходимо трехфазную плиту, причем подключаем мы ее только на две фазы «В» и «С». Если мы задействуем только одну фазу, то мощности нам хватит только на две конфорки. Дальше поймете почему мы будем использовать только две фазы, а не три.
Все остальные розетки на кухне мы распределяем на фазу «А». Больше эту фазу мы не будем задействовать вообще. Это будет самая нагруженная фаза.
Однако и другую фазу мы не будем использовать на кухне. Исключение составит варочная поверхность, которая соединена по двухфазной схеме.
Это сделано для того, чтобы исключить появление двух разных фаз в соседних розетках. Тем самым мы обезопасим себя от возможности встречи с линейным напряжением. Это те 380 вольт, которые могут серьезно навредить здоровью. 220 вольт вообще не страшны по сравнению с 380 В. Запомните это.
Осталось совсем чуть-чуть. Бойлер вместе со стиральной машинкой подключаем через устройство защитного отключения на фазу «В».
Оставшееся оборудование вешаем на фазу «С».
- Виды и режимы работы нулевого провода
Вот примерно так и распределяем нагрузку по фазам в частном доме.

Конечно, это приведена типовая схема распределения. Возможно, вы вообще не любите готовить и у вас есть только микроволновка. Также все относительно по поводу котельного оборудования, но результат везде должен получаться одинаковый. Мощность электроприборов распределяется равномерно по трем фазам, желательно, чтобы двух разных фаз не было в одной комнате. Если так не получается разводите их по противоположным сторонам помещения.
Если при сборке распределительного щита поставить устройства защиты от перенапряжения с индикаторами напряжения и тока: можно в режиме онлайн увидеть какая фаза перегружена, а где нет нагрузки. Тоже самое можно сделать с помощью токовых клещей.
Однако правильно собрать щит на этапе строительства выйдет гораздо дешевле и лучше, чем перекраивать его после.
Добавляйте статью к себе в закладки и делитесь с друзьями. Готов ответить на ваши вопросы.
Отличие щитков
В магазинах вы увидите большой разброс цен на модели электрических щитков похожих по внешнему виду. У вас будет желание сэкономить и купить электрощиток подешевле. Благодаря большому количеству китайских производителей, качество щита может быть очень низким. Чтобы снизить стоимость используют более дешевые материалы, небезопасные по составу и которые имеют защиты от возгорания.
При эксплуатации в квартире или частном доме, как правило, электрощит не подвергается воздействию осадков и перепадам температур. При установке электрощитка в неотапливаемых помещениях или на улице, электрический щиток может быстро потерять товарный вид. Если использован низкокачественный металл, то корпус покроется ржавчиной снаружи и внутри. Корпус потеряет герметичность , DIN рейка будет ржаветь от конденсата. Автоматические выключатели и УЗО нельзя эксплуатировать в таких условиях.
Низкокачественный пластик может потрескаться из-за перепада температур и воздействия солнца, теряется герметичность электрощитка. Если в герметичном электрощите IP68 установлен резиновый или силиконовый уплотнитель низкого качества, то со временем он потеряет свою эластичность. В результате он не будет защищать от попадания влаги внутрь.
Особенности
Чтобы снизить вероятность перегрузки фазы, нагрузку распределяют на фазы равномерно. Несоблюдение этого условия так же, как и отгорание «нулевой» жилы или её плохой контакт, приведут к разнице в напряжении на фазных жилах в большую или меньшую сторону.
Таким образом, преобразованное однофазное питание (220 В) приведёт к неисправности подключённых к нему электропотребителей. Произойдёт это из-за того, что на одни приборы будет приходить повышенное напряжение (240-270 В), на другие – пониженное (160-200 В).
Важно! При неравномерном распределении нагрузки по фазам, на не чувствительных к перекосам счётчиках, произойдёт повышенный расход электроэнергии.
Конструкция и элементы электрощита
Элементы электрощитка
Для трехфазного щита с мощностью 15 киловатт и мощностью потребления 15 кВт/ч понадобятся следующие комплектующие:
- Прибор учета электроэнергии. Счетчик устанавливается в щитке сразу. Для домашней сети подойдут электронные модели, отличающиеся высокой точностью и надежностью. Они работают по нескольким тарифам, выводят данные на цифровой дисплей.
- Электрощит. Представляет собой бокс различных габаритов. Уличный вариант должен иметь DIN-рейку, замок, смотровое отверстие для снятия показаний. Оптимальный уровень пыле- и влагозащиты – IP 54, толщина стенок – 1 мм.
- Дифавтомат на вводе. Подойдет трехполюсная модель, подключаемая к трем фазам.
- УЗО. Элемент защиты от возникновения опасного потенциала на корпусе прибора.
- Выключатель автоматического типа. В частном доме на ввод понадобится устройство в 25 А, для системы освещения – на 6,3 или 10 А, для силовой цепи – 16 А. Мощность такого переключателя – от 7 киловатт.
- Реле напряжения. Предотвращает поломки бытового оборудования при колебаниях напряжения.
- Измерительные устройства. Вольтметр и амперметр в одном корпусе – не обязательное устройство.
Для предотвращения импульсных колебаний и защиты от молний можно заменить реле на УЗИП.
Разбор схем электропроводки
Рассмотрим несколько типовых схем, которые используют при строительстве или капремонте. Все варианты объединены наличием защитной группы: делением разводки электрики на контуры, каждый из которых подключен к отдельному автомату.
Вариант #1 – общая схема-план для всего дома
Это не монтажная схема, а перечисление всех электроустройств, которые планируется расположить в доме. По ней можно вычислить, сколько потребуется автоматов и УЗО, подсчитать общее количество электролиний, ведущих к щиту.
Здесь следует указать тип питающей сети, чтобы правильно выбрать кабель. Для 3-фазной сети берут 5-жильный кабель, для 1-фазной – 3-жильный.

Электрощит располагают в отдельном помещении внутри дома, в коридоре, в находящемся рядом гараже. Там же устанавливают стабилизаторы напряжения и резервный генератор, который снабжает дом электроэнергией в периоды отключения централизованной линии.
Для удобства обслуживания двух- или трехэтажного особняка на каждом этаже также монтируют электрощиток. Все распределительные щиты подключены к вводному кабелю – медному проводу с сечением 15-35 мм².

Если в отдельной комнате планируется расположить несколько светильников и розеток, то на входе нужно смонтировать распределительную коробку. В ней соединяют вводный кабель с линией освещения и розеточной группой.
Вариант #2 – образец монтажной схемы
Чтобы начертить монтажную схему, нужно взять план дома и обозначить на нем места установки электроустройств.
Этот документ становится основой для составления сметы – по нему легко сосчитать не только количество выключателей, розеток и дополнительных материалов, но и подсчитать метраж проводов.

Обязательно обозначается точка ввода силовой линии в дом и место установки электрощита. Затем, на отдельных линиях, следует отметить распределительные коробки, электроустановки, осветительные приборы.
Устройства высокой мощности также нужно обозначить, так как они запитаны от индивидуальных линий.
Если к зданию подключены хозяйственные постройки – баня, гараж, мастерская – это тоже должно быть отражено на схеме, так как является частью разводки электрики в конкретном частном доме.
Для схем, нарисованных от руки, специальных условных знаков нет, главное, чтобы владелец дома и монтажники понимали, что кроется за каждым символом. Однако лучше использовать общепринятые обозначения электросхем, чтобы впоследствии самому разобраться в проекте.
Вариант #3 – техническое решение для небольшого дома
Все планы и схемы похожи, так как строятся по одному и тому же принципу, однако могут различаться количеством установленных розеток и контуров освещения, следовательно, и числом подключенных к ним защитных устройств.

Перед сетью устанавливают входной рубильник, которым при необходимости можно обесточить весь дом и отключить прибор учета электроэнергии. Затем следует счетчик, и уже после него – защитные группы.
Для мощных агрегатов, таких как котел отопления или стиральная машинка, устанавливают автоматы на 25-40 А. Сечение проводов тоже должно быть увеличено до 3,5-5 мм².
С помощью такой схемы не подсчитать метраж проводов, но количество розеток, распредкоробок, выключателей, УЗО, автоматов высчитать легко.
Вариант #4 – электросхема для подвала/гаража
Нередко подвал частного дома становится подсобным помещением, где устанавливают стиральную машину и оборудуют сушилку, погребом для хранения урожая или даже теплым гаражом. Гораздо удобнее, когда подобное помещение полноценно оборудовано розетками и светильниками.

Если не брать в учет счетчик, на электрощитке останутся входные автоматы защиты, шина заземления, УЗО на 20 А, три контурных автомата: на линии освещения, для розеток и для компрессора. Дополнительное мощное оборудование также нуждается а автоматической защите.
Вариант #5 – принципы кухонной разводки
Схема электрики для кухни в частном доме практически не отличается от аналогичной схемы для городской квартиры.
Ее особенностью является большое количество подключенных электроприборов, следовательно, потребуется выделить несколько электролиний с отдельными автоматами защиты.

При составлении вертикально ориентированной схемы необходимо отобразить на бумаге мебельный гарнитур с расстановкой всей техники.
Безрозеточные соединения, например, у духового шкафа, производят под столешницей, возле стены, тогда как розетки для тостера, электрочайника, мультиварки, комбайна лучше вынести над рабочим столом.
Небольшие бытовые приборы легче отключать от сети, если электроустановочное устройство находится под рукой. Розетки, монтируемые около раковины, должны обладать степенью защиты от IP44 или выше.
Особенности электрического щита
Электрический щиток с автоматами представляет собой ящик из пластмассы или металла, в котором размещаются электроприборы. В обязательном порядке устанавливаются:
- основной выключатель;
- счётчик расхода электричества.
Входной автомат, равно как и счётчик, должен пломбироваться. Кроме перечисленных устройств, распределительный щит оборудуют автоматическими выключателями – они защищают домашнюю сеть.

В зависимости от способа крепления распределительные щиты делят на:
- Накладные. Достоинство – простота установки.
- Встраиваемые. Требуют создание ниши в стене. Положительная сторона – экономия пространства в помещении.
Установка бокса для вводного автоматического выключателя
Одно из основных отличий щита учета частного дома, от этажного, в многоквартирном доме, это наличие средств защиты от возможных несанкционированных подключений.
Вся защитная автоматика и коммутационные устройства, стоящие в схеме до счетчика электрической энергии, должны закрываться в боксы (No2 на схеме) и опечатываться. Чтобы никто, в том числе и вы сами, не смогли изменить согласованную схему и подключиться в обход счетчика.

Именно поэтому в первую очередь устанавливаем специальный бокс для вводного автомата (автоматического выключателя). Главная его особенность, наличие «ушек», которые позволяют поставить пломбу.
Так как сеть трёхфазная 380В, вводной автомат применяется трехполюсный, значит и бокс должен быть минимум на три модуля.
Подключение по трехфазной схеме
В первую очередь требуется подготовить всю необходимую документацию. Она включает в себя технические условия эксплуатации, которые выдаются организацией – поставщиком электроэнергии. На основании технических условий осуществляется составление проектной документации на электроснабжение объекта.

Вам понадобятся следующие документы:
- Договор с энергоснабжающей организацией.
- Акт осмотра имеющегося электрооборудования.
- Заключение лабораторного исследования схемы, предназначенной для конкретного объекта.
- Акт разграничения электрических сетей по балансовой принадлежности.
В составляемом проекте учитываются особенности дальнейшего потребления электроэнергии. Все потребители разделяются на группы, которые включают в себя розетки и систему освещения. Каждая группа может быть отдельно выключена, если требуется провести ремонтные работы. В это время другая группа продолжает использоваться, не доставляя хозяевам излишних неудобств.
Для всех групп выполняются расчеты максимальной мощности потребления электроэнергии. В соответствии с этим выбирается и наиболее оптимальное сечение проводников. Как правило, линии освещения прокладываются кабелем, сечение которого составляет 1,5 мм2, а для розеток необходимо уже не менее 2,5 мм2. Каждая группа подключается к автоматическим защитным устройствам, исключающим возгорание проводки в случае короткого замыкания.

Таким образом, при наличии проекта подключения можно выполнить расчеты потребности в материалах, приборах и оборудовании, а также заранее определить размеры электрощита. На прилагаемых схемах отмечаются все места, где располагаются выключатели, розетки, стабилизирующие устройства и другое стационарное оборудование.
Непосредственное подключение может выполняться подземным или воздушным способом. Как правило, в частных домах используется второй вариант, имеющий ряд существенных преимуществ. В этом случае можно воспользоваться любыми схемами подключения, при минимальных затратах времени на выполнение работ. В процессе дальнейшей эксплуатации воздушные линии значительно легче ремонтировать. Большое значение имеет стоимость подключения, которая гораздо ниже, чем при использовании подземной прокладки кабельной линии.
При выполнении воздушного подключения следует учитывать расстояние от дома до столба, которое не должно превышать 15 м. В том случае, когда расстояние больше указанного, требуется установка дополнительного столба. За счет этого исключается сильное провисание или обрыв провода при негативном воздействии внешних факторов. Также следует обратить внимание на то, чтобы провода не создавали помехи пешеходам и транспортным средствам. Высота крепления трехфазной линии составляет не менее 2,7 м и более. Сами провода устанавливаются на специальных изоляторах, а уже потом они от столба подводятся к силовому щиту.

Силовой щит рекомендуется устанавливать на фасад здания, далее провода идут уже от него по всем помещениям. При наличии электрифицированных пристроек, питающая линия подводится к ним также от щитка. Для подключения и учета потребленной электроэнергии необходим трехфазный счетчик. В основном используются устройства прямого включения, принцип работы которых напоминает однофазный счетчик. В этом случае требуется всего лишь правильно соблюдать схему подключения устройства, размещенную на его задней крышке или в техническом паспорте.
В некоторых случаях в частном доме может использоваться схема полукосвенного включения трехфазного счетчика. Схема подключения дополняется трансформатором напряжения. Для оплаты потребленной электроэнергии показания прибора нужно умножить на коэффициент трансформации, указанный на трансформаторе.
Перекос фаз
Фактически распределение нагрузки по фазам в частном доме, выполненное с перекосом фаз не несёт серьёзных проблем для техники. Но периодическое отключение автоматического выключателя вам гарантировано.
Перед распределением нагрузки необходимо разобраться в устройстве трёхполюсного автомата. Рассмотрим ситуацию на примере автомата С 25. Он состоит из 3 однофазных автоматов, каждый из которых способен выдерживать 25 А. Таким образом, каждая фаза получает по 5 кВт мощности, откуда и выходит, что присоединение коттеджа мощностью в 15 кВт. Автоматы при этом могут разрывать питание одним выключателем (рычагом).

Пример распределения нагрузки на трёхфазном электропитании коттеджа Источник mastergrad.com
Если вы рассматриваете вопрос, как распределить нагрузку по фазам в случайном (хаотичном) порядке, обратите внимание на следующий пример:
- Фаза № 1 подключена к освещению коттеджа.
- Фаза № 2 запитывает электроснабжение на розетки 1-го этажа.
- Фаза № 3 питает розетки на 2-ом этаже.
В результате произойдёт следующее:
- На 2-ом этаже несколько спален и санузел. Мощных энергопотребителей здесь нет. В результате Фаза № 3 не будет работать на полную мощность.
- Аналогичная ситуация произойдёт и с фазой № 1. Современное светодиодное освещение потребляет мало электричества.
- Последняя фаза № 2 окажется перегруженной, из-за того, что на неё «повешены» основные, мощные потребители: стиральная машина, микроволновка, холодильник и прочая техника, находящаяся в помещениях первого этажа.
Важно! В результате, одновременное включение нескольких элементов бытовой техники перегрузит автомат, что станет результатом его отключения.
Перекос фаз в трехфазной сети: причины, защита и способы устранения
При эксплуатации силовых сетей 380 Вольт возможны нарушения, существенно влияющие на качество поставляемой потребителю электроэнергии. Одно из таких отклонений – перекос фаз, проявляющийся в неравномерном их распределении по подключенным к линии нагрузкам.
Результатом этого эффекта является существенное снижение мощности включенного в промышленную трехфазную сеть оборудования (трансформаторов или двигателей, в частности). В домашних условиях оно чревато повреждением бытовой техники, подключенной к одной из фаз электросети загородного дома.
Это объясняется тем, что напряжение в ней становится сильно заниженным или наоборот – превышает допустимую норму. Для предупреждения негативных последствий разного напряжения на фазах 380 Вольт разработан ряд организационных и технических мер.
Допустимые нормы перекоса
Для ограничения допустимых отклонений напряжений из-за перекоса фаз разработаны нормативы, регламентирующие их значения для промышленных силовых сетей. При превышении этих норм появляется реальная опасность выхода из строя силового оборудования, подключенного к данной линии. Их точные значения приводятся в соответствующих ГОСТах и других документах, определяющих порядок эксплуатации электрооборудования (в ПУЭ, например).
В соответствие с нормативами устанавливаются фиксированные соотношения между номиналами напряжений и токов в наименее и наиболее нагруженных участках линий. Для силовых распределительных щитов оно не должно превышать 30%, а для вводов в частные дома (ВРУ) – 15%. Согласно действующим ГОСТам допустимый перекос фаз по отдельным линиям с обратными токами не может быть более 2-х процентов, а по нейтральной жиле трансформатора – 4 процентов.
Нарушение симметрии в высоковольтных сетях
Инверторные сварочные аппараты способны нарушить распределение нагрузки тока
В сетях высокого напряжения появление нежелательной асимметрии связано с наличием мощных однофазных нагрузок или трехфазных потребителей с неодинаковым распределением по фазам.
Источниками перекоса в промышленных сетях 0,38-10 кВ являются различные типы плавильных электропечей (рудотермические, индукционные и подобные им нагревательные установки).
К перечню создающего асимметрию оборудования следует отнести инверторные сварочные аппараты, отличающиеся высокими токами потребления и способными нарушить равномерность распределения по нагрузкам.
Мощными источниками опасной асимметрии являются тяговые подстанции железнодорожного транспорта, поскольку современные электровозы представляют собой однофазные потребители электрической энергии. Их мощность достигает нескольких сотен киловатт, что только увеличивает вероятность нарушений при распределении нагрузок.
Убедиться в их наличии можно с помощью специальных токоизмерительных клещей, посредством которых удается проверить цепи, работающие с перегрузкой. При обнаружении в одной из фаз токовых значений, заметно превышающих допустимые величины, можно смело говорить о наличии опасного перекоса.
Негативное влияние перекоса напряжений и токов
Перекос фаз может привести в негодность электрооборудование
На появление фазной асимметрии необходимо оперативно реагировать по таким причинам:
- В этом случае реальна угроза повреждения подключенных к данной сети приборов или же ухудшение их рабочих показателей.
- Это приводит к нарушениям в работе источников электроэнергии (трансформаторов подстанции, в частности).
- Еще одно следствие ненормального распределения фаз – уменьшение срока эксплуатации станционного оборудования.
Для рядового потребителя последствия асимметрии выливаются в увеличение расходов на электричество, ремонт бытовых приборов, а также в возможность получения травм. Если перекос в линии вызван разрушением нулевого провода, условия для защиты от электрического удара заметно ухудшаются. Обрывается шина устройства заземления (ЗУ), смонтированного на трансформаторной подстанции, в отсутствии местного контура пользователь остается абсолютно беззащитным.
Стоимость монтажа
Установка электропроводки является важной проблемой. Верно составленный план разводки в доме, является гарантией безопасности. Если человек ни разу в своей практике не сталкивался с подобной задачей, то лучше обратиться за помощью к проверенным специалистам.
Для этого следует ознакомиться с приблизительными расценками на данный вид услуг:
Изначально следует быть готовым к тому, что установка электропроводки в доме обойдется намного дороже, чем в квартире.
Расчёт энергопотребителей
Перед тем, как распределить нагрузку по фазам рекомендуется выполнить предварительный расчёт потребителей. Сделать это легко, составив список потенциальных источников, которые будут «повешены» на ту или иную фазу. Например, перечислите основную бытовую технику и её мощность согласно заявленной производителем:
- Варочная электроплита 6,5-7,5 кВт.
- Стиральная машина 1,5-1,8 кВт.
- Посудомоечная машина 1,5-1,8 кВт.
- Микроволновая печь 0,9-1,2 кВт.
- Духовой шкаф 2,0-2,6 кВт.
- Пылесос 1,9-2,2 кВт.
- Утюг 1,9-2,2 кВт.

Как правильно разделить энергопотребителей на несколько групп Источник uk-parkovaya.ru
Важно! По необходимости список может пополняться другими, имеющимися на балансе электроприборами.
Потребляемая мощность
Для хозяина дома важно знать, сколько потребляется энергии. Это легко подсчитать по всем электроприборам
Сложив все мощности и поделив результат на 1000, получим суммарное потребление, например 10 кВт. Для бытовых электроприборов достаточно одной фазы. Однако потребление тока значительно возрастает в частном доме, где есть мощная техника. На один прибор может приходиться 4-5 кВт.
Важно спланировать потребляемую мощность трехфазной сети на этапе ее проектирования, чтобы обеспечить симметрию по напряжениям и токам. В дом заходит четырехжильный провод на три фазы и нейтраль
Напряжение электрической сети составляет 380/220 В. Между фазами и нулевым проводом подключаются электроприборы на 220 В. Кроме того, может быть еще трехфазная нагрузка
В дом заходит четырехжильный провод на три фазы и нейтраль. Напряжение электрической сети составляет 380/220 В. Между фазами и нулевым проводом подключаются электроприборы на 220 В. Кроме того, может быть еще трехфазная нагрузка.

Расчет мощности трехфазной сети производится по частям. Сначала целесообразно рассчитать чисто трехфазные нагрузки, например электрический котел на 15 кВт и асинхронный электродвигатель на 3 кВт. Суммарная мощность составит P = 15 + 3 = 18 кВт. В фазном проводе при этом протекает ток I = Px1000/(√3xUxcosϕ). Для бытовых электросетей cosϕ = 0,95. Подставив в формулу числовые значения, получим величину тока I = 28,79 А.
Теперь следует определить однофазные нагрузки. Пусть для фаз они составят PA = 1,9 кВт, PB = 1,8 кВт, PC = 2,2 кВт. Смешанная нагрузка определяется суммированием и составляет 23,9 кВт. Максимальный ток будет I = 10,53 А (фаза С). Сложив его с током от трехфазной нагрузки, получим IC = 39,32 А. Токи на остальных фазах составят IB = 37,4 кВт, IA = 37,88 А.
В расчетах мощности трехфазной сети удобно пользоваться таблицами мощности с учетом типа подключения.

По ним удобно подбирать защитные автоматы и определять сечения проводки.
Cхема щита учета электроэнергии 380в для частного дома 15 квт
При подключении частного дома к электросети, вам обязательно потребуется получить у электросбытовой компании (Мосэнерго, Ленэнерго, Свердловэнерго и др., в зависимости региона) ТУ – Технические условия на подключение. Именно этот документ содержит основные характеристики электросети доступные вам, в том числе и требования к щиту учета электроэнергии.
В этой статье мы подробно осмотрим схему типового щита учета, а также его модификаций, которые предписывают собирать требования ТУ.
Cтандартные в таких случаях параметры сети для подключения частного дома это:
– 3 фазы
– Напряжение: 380В
– Выделенная мощность: 15 кВт
– Вводной кабель: СИП 4х жильный (3 фазных проводника и PEN)
Отмечу, что одна из основных задач ТУ, не только обеспечить безопасность электроустановки, но и предотвратить возможность хищения электричества потребителями.
Именно поэтому, все устройства защиты или коммутации в электрощите, расположенные до электрического счетчика, должны быть защищены от возможности нелегального подключения. Обычно они скрыты в отдельных боксах, которые при подключении пломбируют.
Кроме того, технические условия предписывают размещать щит учета в доступном для проверки месте – на границе участка, на опоре освещения или заборе.
Чаще всего такие внещние щиты используются исключительно для учета, без дополнительных возможностей, несет лишь базовые функции. Основной распределительный щит (РЩ), при этом, ставится внутри в дома, где все потребители разделяются на группы, распределяется нагрузка, устанавливается соответствующая защитная автоматика и т.д.
Все представленные ниже схемы будут рассчитаны под две самые популярные в частных домах системы заземления TT и TN-C-S. Под каждым вариантом подключения – будут ссылки на пошаговую инструкцию по сборке, с подробными комментариями.
Если же вы не определились, какую из систем заземления выбрать – вам поможет следующая информация:
TN-C-S – рекомендуемая правилами система заземления. Имеет ряд недостатков, применять её стоит если вы уверены в состоянии подходящих к дому электросетей, если они достаточно новые и регулярно обслуживаются.
TT – относительно более безопасная система. К главным недостаткам можно отнести лишь большие затраты как на монтаж защитного оборудования и устройство контура заземления, так и на регулярное обслуживание. Которые, для безопасной работы, должны всегда поддерживаться вами в работоспособном состоянии.
Подробнее о разнице в устройстве систем заземления вы узнаете в одной из следующих статей. Подписывайтесь на нашу группу Вконтакте, следите за выходом новых материалов.
Несколько правил при подключении 380 вольт в частном доме
Устаревшие ЛЭП понемногу проходят модернизацию и переводятся на новый образец TN-C-S. При таком способе четвертый провод PEN прокладывают от питающей подстанции не одним проводом, а двумя разъединенными жилами: PE и N.
Ввод трехфазного напряжения в строение
Чтобы подключить 380 вольт в частный дом следует соблюдать некоторые правила:
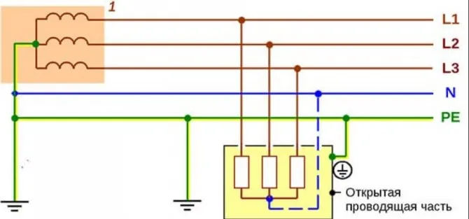
- передача напряжения от трансформаторной подстанции производится по ЛЭП (четыре провода), которые включают три фазных жилы (L1, L2, L3) и один общий нулевой провод PEN;
- чаще всего такая линия бывает воздушной и реже кабельной.

Трехфазное подсоединение основывается на подведении всех жил к вводному аппарату объекта. Далее ток попадает на устройство учета и проходит в распределительный щиток, с целью последующей разводки по электроприемникам.
В середине вводного аппарата производится отделение рабочего ноля N и защитного PE. Затем они соединяются с главной заземляющей шиной (ГЗШ). Дальше она подсоединяется к повторному контуру заземления помещения.
Последний участок линии от опоры до ввода в дом проводится воздушным или подземным способом. Его еще называют ответвлением. Оно числится на балансе электроснабжающей организации, поэтому подключение дома производится с разрешения владельца ЛЭП.

Если кабельная линия проходит под землей, то ответвление монтируется в металлическом шкафу, который будет расположен недалеко от трассы, а у воздушных ЛЭП – непосредственно на опоре. В обоих случаях владелец обязан обезопасить их эксплуатацию и не допустить вторжения посторонних людей к электрощиту.
Важно! Проведение работ на конце PEN проводника, расположенного на опоре, жильцами дома, запрещен правилами.
Отходящие линии
При трехфазном питании на фасаде дома устанавливается вводно-распределительный щит (ВРЩ). Именно в нем производится разделение PEN проводника и установлены вводной автомат, а также автоматы защиты для групповых цепей дома.

Все три фазы L1, L2, L3, заводят на трехполюсный вводный автомат (3). Там же устанавливается электросчетчик, для того чтобы вести учет расходуемого ресурса. К вводным клеммам счетчика учета присоединяют три проводника от вводного автомата и жилу N от ГЗШ. Вывод электросчетчика подключается с общим автоматом (четырехполюсным) защиты всего дома. В случае его сработки весь дом будет отключен от электропитания.
Рабочее напряжение между фазами 380 В, а между фазами и нолем 220 В. Ведь такое напряжение представляет собой три фазы в трех различных проводах, только с разным одномоментным потенциалом и частотой 50 Гц.
Электропроводка в доме должна разделяться на группы, каждая линия освещения защищается однополюсным автоматическим выключателем (5). Каждая группа запитываются от различных фаз.
Во помещениях с повышенным уровнем влажности нужно использовать дифавтомат (6), у которого срабатывание производится при достижении током показателя не более 30 миллиампер.
Для кухонной группы желательно устанавливать трехполюсный автомат (9) и четырехполюсный (10). Это связано с тем, что питание кухни трехфазное, поэтому при коротком замыкании фазы на ноль потребуется отсечь нулевой рабочий и все фазные жилы одновременно.
Фото
Напоследок — ещё несколько фото с комментариями.
Электрощит с трехфазным вводом, но все потребители — однофазные.

Друзья, на сегодня всё, всем удачи!
Жду отзывов и вопросов в комментариях!
Меня часто спрашивают: «Зачем ты подвёл к дому трёхфазную линию, у тебя, что какой-то особый электроинструмент?» Нет, инструмент самый обычный на 220 вольт, правда, мощность порой достигает два киловатта. Ну и в самом деле зачем мне нужны три фазы в доме
?
Как их подключить без ошибок
?
Преимущества и недостатки трехфазной системы электроснабжения
Не секрет, что трехфазное электроснабжение частного дома стает всё более актуально, и это связанно не только с величиной напряжения. Давайте разберёмся во всех преимуществах 380 Вольт и вот их перечень:
- Подключение самых распространённых в быту и на производстве асинхронных электродвигателей с короткозамкнутым ротором. При подключении к однофазной цепи теряется их мощность, крутящий момент, а также КПД. Ведь они первоначально были рассчитаны на три фазы. Применение таких электромашин в частном доме может понадобиться при обустройстве точильного, сверлильного или деревообрабатывающего станка и других видов техники. Владелец, который обладает навыками работы на таком оборудовании, всегда найдёт ему применение. На даче всегда пригодится мощный насос, поэтому провести 380 Вольт и тут не помешает.
- Подключив три фазы, владелец частного дома получает, по большому счёту, сразу три независимые однофазные сети, которыми может распоряжаться по своему усмотрению. Для этого того чтобы получить однофазное напряжение 220 Вольт, нужно подключить один провод к фазе, а другой к нулю. Оно будет называться фазным. Напряжение между двумя фазами равняется 380 Вольт и называется линейное. Подробнее о фазном и линейном напряжении можно прочитать в статье: https://samelectrik.ru/linejnoe-i-faznoe-napryazhenie.html.
- При поломке или аварийной ситуации на распределительной подстанции может отгореть одна или даже две фазы. При этом у владельца частного дома с тремя фазами как минимум освещение и холодильник будет работать. При этом нужно помнить, что для трёхфазных двигателей работа на две фазы повлечёт за собой неминуемый выход его из строя.

Учтите, и тут есть свои подводные камни. Трехфазная сеть нужна в том случае, если недостаточно мощности однофазной сети. И даже если однофазной недостаточно не нужно спешить подключать три фазы, лучше уточнить о возможности увеличения лимита мощности для однофазной сети — эта процедура намного проще, чем согласование и подключение трех фаз.
Три фазы в обязательном порядке подключают в том случае, если нужно запитать трехфазные электродвигатели, которые не могут работать в однофазном режиме, либо в случае одновременного использования большого количества электроприборов, оборудования, например, если в доме большое хозяйство, налажено какое-то мелкое производство.
Также следует отметить еще несколько недостатков трехфазной системы электроснабжения. Один из минусов — необходимость равномерного распределения нагрузок по каждой из фаз. Второй недостаток — большая сложность в подключении, приобретении другого щитка, защитных аппаратов и т.д. Третий недостаток — большая опасность с точки зрения поражения током, так как в доме будет не только однофазное напряжение 220 В, но и линейное — 380 В
Как видите, преимущества питания потребителя от сети 380 Вольт не всегда очевидны. Теперь стоит разобраться, какие документы нужны для подключения трехфазной сети. Об этом мы сейчас и поговорим.
Вводные данные
– К дому подведены 3 фазы -380В
– Выделенная мощность 15кВт
– Тип вводного кабеля – СИП 4х16мм.кв.
– На участке сделан дополнительный контур заземления, от которого к щитку проложен медный провод 1х16мм.кв.
Схема шита учета 380В для частного дома на 15кВт с установленным УЗО и зазамление tn-c-s, в сборе выглядит следующим образом:
Ниже, в этой статье, я расскажу о том, какое оборудование в нём установленно и как правильно его подключить.
Однолинейная схема электроснабжения частного дома
При разработке электроснабжения частных домов чаще всего применяется однолинейная схема, как наиболее оптимальный вариант. Она дает возможность для простого проектирования и монтажа, даже собственными силами. Однолинейная схема зарекомендовала себя, как эффективная и удобная в эксплуатации. По своей сути она является сильно упрощенной принципиальной схемой, где все виды подключений и прокладка сетей выполнены одной линией одинаковой толщины. Отсюда и появилось название однолинейной схемы.

Существует два варианта однолинейных схем – расчетная и исполнительная. Первый вариант используется в процессе строительства дома. Данная схема определяет порядок монтажа кабельных линий на конкретном объекте и выбор защитной аппаратуры. Предварительно выполняются расчеты всех силовых нагрузок на данную сеть. На расчетной однолинейной схеме указываются все имеющиеся мощности и их величины. В обязательном порядке отмечается расположение ВРУ, маркируются электрические щиты.
Исполнительная схема выполняется для действующих электроустановок, когда дом уже построен. К этому времени от проектной организации уже получены результаты обследования здания для подготовки наиболее подходящего расположения всех элементов и устройств электроснабжения.
Планировка разводки проводки в частном доме
При неумелом обращении электричество становится смертельно опасным. Выполнение работ лучше доверить профессионалам. Но при определенных знаниях и умениях самостоятельная разводка проводки вполне допустима.

В первую очередь необходимо определить, какой тип ввода нужен — трехфазный или однофазный:
- если предполагается использование мощных устройств, оправдано подведение трёхфазной сети. В этом случае будет проще избежать перекоса фаз, равномерно распределив нагрузку. К тому же появится возможность подключения трёхфазных бытовых приёмников: водонагревательных котлов, электрических плит, станков, других механизмов, имеющих электропривод;
- если же общее энергопотребление менее 10 кВт и не планируется использование трёхфазных потребителей, выгоднее применить однофазную сеть питания.

Важно! Если необходимо произвести реконструкцию существующей проводки, заказывать новый проект не обязательно. Далее предстоит выбрать и закупить комплектующие: счетчик, автоматы, УЗО, выключатели, розетки, кабели, коробки и другие необходимые для монтажа материалы и оборудование
Далее предстоит выбрать и закупить комплектующие: счетчик, автоматы, УЗО, выключатели, розетки, кабели, коробки и другие необходимые для монтажа материалы и оборудование.
Ввод электричества от опоры в дом осуществляет специализированная организация. Домовладельцу предстоит позаботиться об установке автомата ввода, счетчика, распределительного щитка и осуществить прокладку электропроводки внутри дома, подключение розеток, выключателей, светильников, монтаж контура заземления.
Обратите внимание! Подача электроэнергии к домовладению осуществляется после того, как уполномоченная организация протестирует систему и выдаст соответствующий акт
Что нужно для трехфазного подключения?
Для трехфазного подключения необходимо следующее:
-
Трехфазная сеть. Это может быть сеть общего пользования, которая обеспечивает электроснабжение всего района или промышленного комплекса, либо отдельная трехфазная линия.
-
Трехфазное электрооборудование. Это могут быть моторы, генераторы, сварочные аппараты, промышленные компрессоры и другое оборудование, которое работает от трехфазного электрического тока.
-
Трехпроводная линия электропередачи. Для трехфазного подключения требуется три провода — один для каждой фазы и один общий нейтральный провод.
-
Трехфазный автоматический выключатель. Он предназначен для защиты трехфазной сети и подключенного к ней оборудования от перегрузок и коротких замыканий.
-
Электрические провода и соединительные элементы. Для подключения трехфазного оборудования к трехфазной сети нужны провода и разъемы, которые обеспечивают надежную и безопасную связь между оборудованием и сетью.
Обычно трехфазное подключение проводится в промышленных комплексах, где требуется большая мощность и эффективность работы электрического оборудования.


