Магнитный пускатель представляет собой устройство, которое обеспечивает надежную и соответствующую стандартам функционирование оборудования. Его главная функция заключается в регулировании распределения питающего напряжения и управлении работой подключенных нагрузок. Если рассматривать тему «магнитный пускатель на схеме», она тесно связана с описанными характеристиками устройства.
Чаще всего через него подают питание на электродвигатели. И через него же осуществляют реверс двигателя, его остановку. Все эти манипуляции позволит осуществить правильная схема подключения магнитного пускателя, которую можно собрать и самостоятельно.
В этом материале мы расскажем об устройстве и принципах работы магнитного пускателя, а также разберемся в тонкостях подключения устройства.
Содержание статьи:
- Отличие магнитного пускателя от контактора
- Устройство и назначение прибора
- Особенности монтажа пускателя
- Популярные схемы подключения МП
- Тонкости подключения устройства на 220 В
- Запуск мотора с реверсным ходом
- Выводы и полезное видео по теме
Отличие магнитного пускателя от контактора
Часто при подборе коммутационного устройства возникает путаница между магнитными пускателями (МП) и контакторами. Эти устройства, несмотря на свою схожесть во многих характеристиках, все же разные понятия. Магнитный пускатель объединяет в себе ряд приборов, они соединены в одном управляющем узле.
В МП может быть включено несколько контакторов, плюс защитные устройства, специальные приставки, управляющие элементы. Все это заключено в корпус, имеющий какую-то степень влаго- и пылезащиты. С помощью этих устройств в основном управляют работой асинхронных двигателей.

Предельное напряжение, с которым работает магнитный пускатель, зависит от электромагнитной катушки индуктивности. Бывают МП небольших номиналов — 12, 24, 110 В, но наиболее часто применяют на 220 и 380 В
Контактор — моноблочный прибор с набором функций, предусмотренных конкретной конструкцией. Тогда как пускатели применяют в схемах достаточно сложных, контакторы в основном присутствуют в простых схемах.
Устройство и назначение прибора
Сравнив подключение МП и контактора, можно сделать заключение, что первое устройство отличается от второго тем, что его применяют для запуска электродвигателя. Можно даже сказать, что МП — тот же контактор, с помощью которого управляют электродвигателем.
Отличие это настолько условно, что в последнее время многие производители называют МП контакторами переменного тока, но с малыми габаритами. Да и постоянное усовершенствование контакторов сделало их универсальными, потому они стали многофункциональными.
Назначение магнитного пускателя
Встраивают МП и контакторы в силовые сети, транспортирующие ток с переменным или постоянным напряжением. Действие их базируется на электромагнитной индукции.
Устройство оснащено контактами сигнальными и теми, через которые питание подается. Первые названы вспомогательными, вторые — рабочими.

Стартовые кнопки, которыми оснащают схему, обеспечивают удобную эксплуатацию. Если нужно отключить нагрузку, достаточно задействовать клавишу «Стоп». При этом поступление напряжения на катушку пускателя закончится и цепь разорвется
МП дистанционно управляют электроустановками, в том числе и электродвигателями. Их роль, как защиты, нулевая — только исчезает напряжение или хотя бы падает до предела ниже 50%, силовые контакты размыкаются.
После остановки оборудования, в схему которого вмонтирован контактор, оно никогда не включится самостоятельно. Для этого придется нажать клавишу «Пуск».
Для безопасности это очень важный момент, поскольку полностью исключены аварии, спровоцированные самопроизвольным включением электроустановки.
Пускатели, в схему которых включены тепловые реле, охраняют электродвигатель или другую установку от длительных перегрузок. Эти реле могут быть двухполюсными (ТРН) либо однополюсными (ТРП). Срабатывание наступает под воздействием тока перегрузки двигателя, протекающего по ним.
Конструкция и функционирование прибора
Для корректной работы МП необходимо придерживаться определенных правил монтажа, иметь понятие об основах релейной техники, грамотно выбрать схему питания оборудования.
Поскольку устройства предназначены для функционирования на протяжении небольшого временного промежутка, наиболее популярными являются МП с обычно разомкнутыми контактами. Наибольшим спросом пользуются МП серий ПМЕ, ПАЕ.
Первые встраивают в сигнальные цепи для электродвигателей мощностью 0,27 — 10 кВт. Вторые — мощностью 4 – 75 кВт. Рассчитаны они на напряжение 220, 380 В.
Вариантов исполнения четыре:
- открытый;
- защищенный;
- пылеводозащищенный;
- пылебрызгонепроницаемый.
Пускатели ПМЕ включают в свою конструкцию двухфазное реле ТРН. В пускателе серии ПАЕ количество встраиваемых реле зависит от величины.

Буквы обозначают тип устройства, следующие за ними цифры — от 1 до 6 —величину. Вторая цифра — исполнение. Единица указывает на нереверсивный МП без тепловой защиты, двойка — то же, но с тепловой защитой, три — реверсивный, не имеющий тепловой защиты, четыре — с тепловой защитой, реверсивный
При напряжении около 95% от номинального катушка пускателя способна обеспечить надежную работу.
Состоит МП из следующих основных узлов:
- сердечника;
- электромагнитной катушки;
- якоря;
- каркаса;
- механических датчиков работы;
- групп контакторов — центральной и дополнительной.
Также в конструкцию могут включать в качестве дополнительных элементов, защитное реле, электропредохранители, добавочный комплект клемм, пусковое устройство.

МП включает в свою конструкцию основание (1), контакты неподвижные (2), пружину (3), сердечник (4), дроссель (5), якорь (6), пружину (7), контактный мостик (8), пружину (9), дугогасительную камеру (10), нагревательный элемент (11)
По сути, это реле, но отключающее гораздо больший ток. Поскольку электромагниты у этого устройства довольно мощные, оно отличается большой скоростью срабатывания.
Электромагнит в виде катушки с большим числом витков рассчитан на напряжение 24 – 660 В. Которая размещена на сердечнике, большая мощность нужна для преодоления усилия пружины.
Последняя предназначена для быстрого рассоединения контактов, от скорости которого зависит величина электрической дуги. Чем быстрее произойдет размыкание, тем меньше дуга и в тем лучшем состоянии будут сами контакты.
Нормальное состояние, когда контакты разомкнуты. Пружина при этом удерживает в приподнятом состоянии верхний участок магнитопровода.
Когда на магнитный пускатель поступает питание, через катушку проходит ток и формирует электромагнитное поле. Оно привлекает мобильную часть магнитопровода посредством сжатия пружины. Контакты замыкаются, на нагрузку поступает питание, в результате, она включается в работу.
В случае отключения питания МП электромагнитное поле исчезает. Выпрямляясь, пружина делает толчок, и верхняя часть магнитопровода оказывается вверху. Как следствие, расходятся контакты, и пропадает питание на нагрузку.
Некоторые модели пускателей оснащены ограничителями перенапряжений, которые применяют в полупроводниковых управляющих системах.

Можно вручную проконтролировать работу системы путем нажатия на якорь с целью почувствовать силу сокращения пружины. Как раз усилие сокращения справляется с магнитным полем. При полном опускании якоря, контакты, отбрасываемые пружиной, отключаются
Питание катушки управления после подключения магнитного пускателя реализуется от переменного тока, но для этого устройства род тока не имеет значения.
Пускатели, как правило, оснащены двумя видами контактов: силовыми и блокировочными. Посредством первых подключается нагрузка, а вторые предохраняют от неправильных действий при подключении.
Силовых МП может быть 3 или 4 пары, все зависит от конструкции устройства. В каждой из пар есть как мобильные, так и неподвижные контакты, соединенные с клеммами, находящимися на корпусе, посредством металлических пластин.
Первые отличаются тем, что на нагрузку постоянно поступает питание. Вывод из рабочего состояния происходит только после срабатывания пускателя.
На контакторы с контактами нормально разомкнутыми подается питание исключительно во время работы пускателя.

Различают два вида контактов блокировки: нормально закрытые, нормально разомкнутые. Первого вида контакт имеет кнопка «Стоп», а нормально открытый — «Пуск»
Нормально замкнутые отличаются тем, что на нагрузку постоянно поступает питание, а отсоединение наступает исключительно после срабатывания пускателя. На контакторы с контактами нормально разомкнутыми подается питание исключительно во время работы пускателя.
Особенности монтажа пускателя
Неправильный монтаж магнитного пускателя, может иметь последствия в виде ложных срабатываний. Чтобы избежать этого, нельзя выбирать участки, подверженные вибрации, ударам, толчкам.
Конструкционно МП устроен так, что его можно монтировать в электрощите, но с соблюдением правил. Устройство будет работать надежно, если местом его установки будет поверхность прямая, плоская и расположенная вертикально.
Тепловые реле не должны подвергаться подогреву от посторонних источников тепла, что отрицательно скажется на функционировании устройства. По этой причине их нельзя размещать в местах, подверженных нагреву.
Устанавливать магнитный пускатель в помещении, где смонтированы устройства с током от 150 А, категорически нельзя. Включение и выключение таких устройств провоцирует быстрый удар.

Провода из меди до подключения нужно залудить. Если они многожильные, их концы перед лужением скручивают. У алюминиевых проводов концы зачищают надфилем, затем покрывают пастой или техническим вазелином
Чтобы не допустить перекоса пружинных шайб, находящихся в контактном зажиме пускателя, конец проводника загибают П-образно или в кольцо. Когда нужно подключить 2 проводника к зажиму, нужно чтобы их концы были прямыми и находились по две стороны зажимного винта.
Включению в работу пускателя должен предшествовать осмотр, проверка исправности всех элементов. Подвижные детали должны перемещаться от руки. Электрические соединения нужно сверить со схемой.
Популярные схемы подключения МП
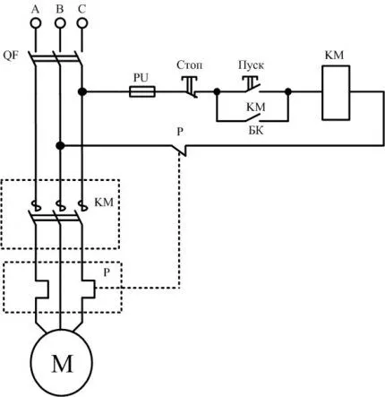
Наиболее часто используют монтажную схему с одним устройством. Чтобы соединить ее основные элементы используют 3-жильный кабель и два разомкнутых контакта в случае, если устройство выключено.

Это предельно простая схема. Она собирается, когда замыкается выключатель автоматический QF. От КЗ (короткого замыкания) схему управления защищает предохранитель PU
В нормальных обстоятельствах контакт реле Р замкнут. При нажатии клавиши «Пуск» цепь замыкается. Нажатие кнопки «Стоп» разбирает схему. В случае перегрузки тепловой датчик Р сработает и разорвет контакт Р, машина остановится.
При этой схеме большое значение имеет номинальное напряжение катушки. Когда усилие на ней 220 В, двигателя 380 В, в случае соединения в звезду, такая схема не подходит.
Для этого применяют схему с нейтральным проводником. Применять ее целесообразно в случае соединения обмоток двигателя треугольником.
Тонкости подключения устройства на 220 В
Независимо от того, как решено подключить магнитный пускатель, в проекте обязательно присутствуют две цепи — силовая и сигнальная. Через первую подают напряжение, посредством второй управляют работой оборудования.
Особенности силовой цепи
Питание для МП подключают через контакты, обычно обозначаемые символами А1 и А2. На них попадает напряжение 220 В, если сама катушка рассчитана на такое напряжение.
Удобнее «фазу» подключать к А2, хотя принципиальной разницы в подключении нет. Источник питания подключают к контактам, находящимся ниже на корпусе.
Тип напряжения не имеет значения, главное, чтобы номинал не выходил за пределы 220 В.

Через магнитный пускатель, оснащенный катушкой 220 В, возможна подача напряжения от дизель- и ветрогератора, аккумулятора, других источников. Съем его происходит с клемм Т1, Т2, Т3
Минусом этого варианта подключения является тот момент, что для ее включения или отключения нужно совершать манипуляции с вилкой. Схему можно усовершенствовать путем установки перед МП автомата. С его помощью включают и отключают питание.
Изменение цепи управления
Эти изменения не касаются силовой цепи, модернизируется в этом случае лишь цепь управления. Вся схема в целом претерпевает незначительные изменения.

Когда клавиши находятся в одном кожухе, узел называется «кнопочным постом». Любая из них обладает парой входов и парой выходов. У клавиши «Пуск» клеммы нормально разомкнутые (НЗ), у прямо противоположной — нормально замкнутые (NC)
Клавиши встраивают последовательно перед МП. Первая — «Пуск», за ней идет «Стоп». Контактами магнитного пускателя манипулируют посредством управляющего импульса.
Источником его является нажатая пусковая кнопка, открывающая путь для подачи напряжения к управляющей катушке. «Пуск» не обязательно удерживать во включенном состоянии.
Оно поддерживается по принципу самозахвата. Заключается он в том, что параллельно кнопке «Пуск» подключаются добавочные самоблокирующиеся контакты. Они и снабжают напряжением катушку.
После их замыкания, катушка самоподпитывается. Разрыв этой цепи приводит к отключению МП.
Отключающая клавиша «Стоп» обычно красная. Стартовая кнопка может иметь не только надпись «Пуск», но и «Вперед», «Назад». Чаще всего она зеленого цвета, хотя может быть и черного.
Подсоединение к 3-фазной сети
Возможно подключение 3-фазного питания через катушку МП, функционирующей от 220 В. Обычно схему применяют с асинхронным двигателем. Сигнальная цепь при этом не изменяется.

Одну фазу и «ноль» подключают к соответствующим контактам. Проводник фазный прокладывают через стартовую и выключающую клавиши. На контакты NO13, NO14 ставят перемычку между замкнутым и разомкнутым контактами
Силовая цепь имеет отличия, но не очень существенные. Три фазы подают на входы, обозначенные на плане, как L1, L2, L3. Трехфазную нагрузку подключают к T1, T2, T3.
Ввод в схему теплового реле
В промежутке между магнитным пускателем и асинхронным электродвигателем последовательно подсоединяют тепловое реле. Выбор его осуществляют в зависимости от типа мотора.

Тепловое реле обезопасит электрический двигатель от неисправностей и аварийных ситуаций, которые могут возникнуть при пропадании одной из фаз
Подключают реле к выводу с магнитным пускателем. Ток в нем проходит к мотору последовательно, попутно нагревая реле. Верх реле оснащен придаточными контактами, объединенными с катушкой.
Нагреватели реле рассчитывают на предельную величину тока, протекающего через них. Делают это для того, чтобы, когда двигатель окажется в опасности из-за перегрева, реле смогло бы отключить пускатель.
Также рекомендуем прочесть другую нашу статью где мы рассказали о том как выбрать и подключить электромагнитный пускатель на 380 В. Подробнее — переходите по ссылке.
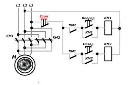
Запуск мотора с реверсным ходом
Для функционирования отдельного оборудование необходимо, чтобы двигатель мог вращаться как влево, так и вправо.
Схема подключения для такого варианта содержит два МП, кнопочный пост либо отдельные три клавиши — две стартовые «Вперед», «Назад» и «Стоп».

Для реализации этого варианта в схему с одним МП добавляют еще одну сигнальную цепь. В нее входит клавиша SB3, МП КМ2. Немного изменена и силовая часть
От к.з. силовую цепь защищают контакты нормально замкнутые КМ1.2, КМ2.2.
Подготовку схемы к работе осуществляют следующим образом:
- Включают АВ QF1.
- На силовые контакты МП КМ1, КМ2 поступают фазы А, В, С.
- Фаза, которая снабжает цепь управления (А) через SF1 (автомат защиты сигнальных цепей) и клавишу SB1 «Стоп» подается на контакт 3 (клавиши SB2, SB3), контакт 13НО (МП КМ1, КМ2).
Далее схема работает по алгоритму, зависящему от направления вращения мотора.
Управление реверсом двигателя
Вращение начинается при задействовании клавиши SB2. При этом фаза А через КМ2.2 подается на катушку МП КМ1. Начинается включение пускателя с замыканием нормально разомкнутых контактов и размыканием нормально замкнутых.
Замыкание КМ1.1 провоцирует самоподхват, а за смыканием контактов КМ1 следует подача фаз А, В, С на идентичные контакты обмоток двигателя и он начинает вращение.

Перед запуском мотора в противоположном направлении необходимо остановить заданное прежде вращение посредством кнопки «Стоп». Для кручения в обратном направлении стоит только при помощи пускателя КМ2 поменять дислокацию каких-то двух питающих фаз
Предпринятое действие разъединит цепь, на дроссель КМ1 перестанет подаваться управляющая фаза А, а сердечник с контактами, посредством возвратной пружины, восстановится в исходном положении.
Контакты разъединятся, на двигатель М прекратится подача напряжения. Схема будет пребывать в ждущем режиме.
Запускают ее путем нажатия на кнопку SB3. Фаза А через КМ1.2 поступит на КМ2, МП, сработает и через КМ2.1 окажется на самоподхвате.
Далее, МП посредством контактов КМ2 поменяет фазы местами. В результате двигатель М изменит направление вращения. В это время соединение КМ2.2, находящееся в цепи, питающей МП КМ1, рассоединится, не допуская включения КМ1 пока функционирует КМ2.
Работа силовой схемы
Ответственность за переключение фаз для перенаправления вращения двигателя возложена на силовую схему.

Провод белого цвета заводит фазу А на левый контакт МП КМ1, затем через перемычку заходит на левый контакт КМ2. Выходы пускателей также объединены перекрестной перемычкой и далее через КМ1 на первую обмотку поступает фаза А двигателя
При срабатывании контактов МП КМ1 на первую обмотку поступает фаза А, на вторую обмотку — фаза В, а на третью — фаза С. При этом мотор вращается влево.
Когда срабатывает КМ2, передислоцируются фазы В и С. Первая попадает на третью обмотку, вторая — на вторую. Изменений по фазе А не происходит. Двигатель начнет вращаться вправо.
Выводы и полезное видео по теме
Подробности об устройстве и подключении контактора:
Практическая помощь в подключении МП:
По приведенным схемам можно подключить магнитный пускатель своими руками как к сети 220, так и 380 В.
Необходимо помнить, что сборка не отличается сложностью, но для реверсивной схемы важно наличие двухсторонней защиты, делающей невозможным встречное включение. При этом блокировка может быть как механической, так и посредством блокировочных контактов.
Если у вас появились вопросы по теме статьи, пожалуйста, оставляйте свои комментарии в расположенном ниже блоке. Там же вы можете сообщить интересную информацию или дать совет по подключению магнитных пускателей посетителям нашего сайта.
Что входит в состав магнитного пускателя?
Магнитный пускатель — это электромеханическое устройство, используемое для управления электрическими моторами, а также другими устройствами, требующими пуска и остановки. Состав магнитного пускателя может немного различаться в зависимости от его конструкции и назначения, но обычно он включает в себя следующие основные компоненты:
-
Электромагниты: Магнитные пускатели обычно имеют один или несколько электромагнитов. Электромагниты создают магнитное поле, которое приводит в движение механизмы пускателя.
-
Контакторы: Контакторы — это коммутационные устройства, которые управляют электрическим током, переключая его между различными контактами. Они могут иметь катушку, подключенную к электромагниту, и контакты, которые открываются или закрываются при активации магнита.
-
Тепловое реле: Некоторые магнитные пускатели могут быть оснащены тепловым реле, которое служит для защиты мотора от перегрева. Тепловое реле реагирует на уровень тока и температуры и может прекращать подачу питания мотору в случае определенных аварийных ситуаций.
-
Механизмы управления: Магнитные пускатели могут иметь кнопки, переключатели и другие элементы управления, которые позволяют оператору включать, выключать и контролировать работу моторов.
-
Защитные кожухи и корпуса: Для обеспечения безопасности и защиты от пыли и влаги магнитные пускатели могут быть оборудованы кожухами и корпусами.
-
Схемы управления: Комплексные магнитные пускатели могут включать в себя схемы управления, которые определяют последовательность действий при пуске и остановке мотора.
-
Сигнальные элементы: Некоторые магнитные пускатели могут быть оснащены сигнальными элементами, такими как индикаторы состояния или звуковые сигналы, для обозначения работы пускателя.
Состав и конфигурация магнитного пускателя могут различаться в зависимости от его спецификаций, но вышеуказанные компоненты представляют основные элементы, которые часто присутствуют в таких устройствах.
