
-
Друзья, подскажите, как быть, пожалуйста. У меня частный дом подключен к однофазной сети, и я планирую провести ремонт в щите, заменить автоматы и т.д. При этом я уже подготовил щит для возможного использования трехфазной системы в будущем.
-
Вопрос в догонку
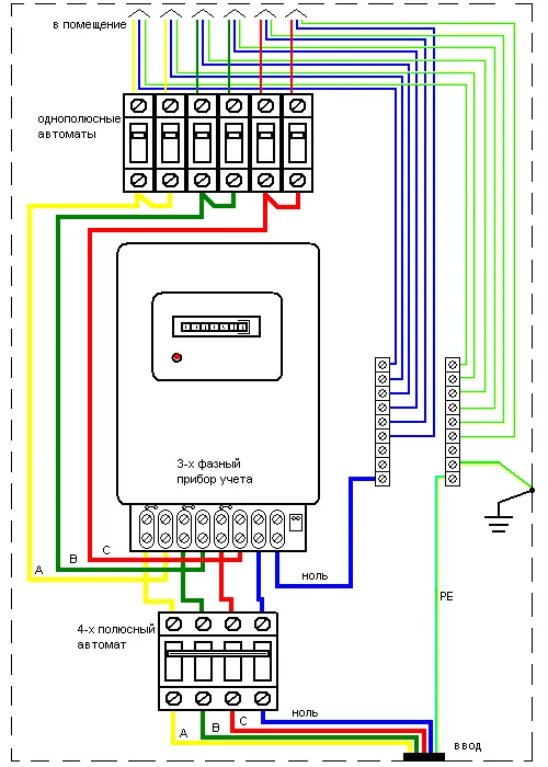
Не будет ли нарушением, что ноль приходит сначала на шину, а от шины уже запитан. Если скажете что без вариантов надо ставить однофазный, то нужно ли менять вводной автомат, сейчас питающий кабель, фазные провода заходят в 3-п автомат, с него идут в счетчик
-
Знаток
Сообщение от Иванов
Пришел контролер опломбировать новый счетчик, и отказал в опламбировке, тк договор у меня на данный момент на одну фазу.
В технических характеристиках от производителей указано, что трёхфазные счетчики предназначены для учета активной и реактивной электрической энергии в трехфазных 3-х сетях переменного тока частотой 50 Гц через измерительные трансформаторы или непосредственно.
Вот пример: Электрические счётчики СА4У-510, СА4-514, СА4-518
ТРЕХФАЗНЫЕ ИНДУКЦИОННЫЕ СЧЕТЧИКИ ЭЛЕКТРОЭНЕРГИИ
Назначение: Предназначены для учета активной электроэнергии в трехфазных четырехпроводных сетях переменного тока на промышленных предприятиях и у бытовых потребителей.А вот что прописано в ПУЭ, п. 7.1.59. В жилых зданиях следует устанавливать один одно- или трехфазный расчетный счетчик (при трехфазном вводе) на каждую квартиру.
С автоматическим выключателем та же картина. Устанавливайте на вводе однополюсный автоматический выключатель и однофазный счётчик электроэнергии, а после счётчика можете уже делать 3-х фазный автоматический выключатель с перемычкой (гребёнка).
Сообщение от Иванов
Не будет ли нарушением, что ноль приходит сначала на шину, а от шины уже запитан.
Запитан дом от ВЛ? Какое сечение и какое количество проводов (L+PEN или L+N+РЕ) у вводного кабеля (провода)? Приходит в электроустановку СИП? В щите установлены шины РЕ и N? Выполнили разделение PEN? Видите сколько вопросов. Когда в электроустановку приходит L+N+РЕ (система TN-C-S), то L подключают к однополюсному автомату, N подключают к счётчику электроэнергии, а РЕ подключают к шине РЕ. А когда приходит L+PEN (система TN-C), то L подключают к однополюсному автомату, а PEN к шине РЕ, затем между шинами РЕ и N устанавливают перемычку (разделение PEN на N и РЕ). Счётчик подключают от шины РЕ.
-
Друзья, всем спасибо за ответы.
-
Знаток
Сообщение от Иванов
Друзья, всем спасибо за ответы.
Так долго осмысливали ответ? Как разрешился вопрос?
-
Знаток
Сообщение от Иванов
И сразу подготовил щит на 3-х фазное использование в будущем.
Я бы порекомендовал Вам написать заявку на увеличение мощности и подключиться по трёхфазной схеме в течение ближайшего года. Иначе придётся покупать новый трехфазный счётчик.
1.5.13. Каждый установленный расчетный счетчик должен иметь на винтах, крепящих кожух счетчика, пломбы с клеймом госповерителя, а на зажимной крышке — пломбу энергоснабжающей организации.
На вновь устанавливаемых трехфазных счетчиках должны быть пломбы государственной поверки с давностью не более 12 мес., а на однофазных счетчиках с давностью не более 2 лет. -
Вопрос пока не разрешился, заявку на увеличение мощности подал, и как у многих на форуме выдали тех условия с установкой счетчика «Рим» на опоре. Поэтому решил пока мне мощности хватает, остаться на одной фазе, купил однофазный счетчик, поставил на прежнее место, жду когда приедут на пломбировку.
-
Подскажите пожалуйста при однофазном вводе, когда приходит РЕN и фаза, РЕN сначала разделяем на РЕ и N, также как и на при трех фазке. Я правильно делаю: L заходит в вводной однофазный автомат, затем из автомата в счетчик. А PEN сначала на шину РЕ затем от шины РЕ в счетчик а из счетчика на шину N.???
-
Знаток
Сообщение от Иванов
выдали тех условия с установкой счетчика «Рим» на опоре
Не имеют права в ЭСО указывать конкретную марку и производителя прибора учёта или другого оборудования. Вы можете выбрать любой счётчик, который Вас устраивает и соответствует предъявляемым требованиям. Требования простые — нужен счётчик класса точности не ниже 2.0. Есть одно исключение: при подключении счётчика к системе АСКУЭ он должен уметь передавать данные.
Не имеют права требовать установку счётчика на опоре за пределами Вашей частной собственности.
Сообщение от Иванов
РЕN сначала разделяем на РЕ и N, также как и на при трех фазке
Правильно делаете. PEN разделяется в щите ВРУ и нет разницы, сколько фаз у Вас подключено. PEN подключаете к PE. Шины PE и N соединяете перемычкой. L из автомата идёт в счётчик, с шины PE проводник идёт в счётчик на зажим N. С выходного зажима N проводник идёт на одноимённую шину. Фазный проводник из счётчика идёт в автомат, который должен иметь одинаковый номинал с автоматом на вводе.
-
[QUOTE=Михаил_Д;24516]Не имеют права в ЭСО указывать конкретную марку и производителя прибора учёта или другого оборудования. Вы можете выбрать любой счётчик, который Вас устраивает и соответствует предъявляемым требованиям. Требования простые — нужен счётчик класса точности не ниже 2.0. Есть одно исключение: при подключении счётчика к системе АСКУЭ он должен уметь передавать данные.
Не имеют права требовать установку счётчика на опоре за пределами Вашей частной собственности.
Знаю все это, но нужно бороться, поэтому пока поставлю на прежнее место однофазный счетчик, а потом попробую предпринять какие либо действия.
Какой счетчик электроэнергии выбрать однофазный или трехфазный?

Выбор между однофазным и трехфазным счетчиком электроэнергии зависит от вашей потребности в мощности и конфигурации вашей электрической системы. Вот некоторые ключевые моменты, которые следует учесть при выборе счетчика:
-
Тип электрической системы: Определите, имеете ли вы однофазную или трехфазную электрическую систему. Однофазные системы распространены в домах и небольших коммерческих зданиях, в то время как трехфазные системы обычно используются в больших коммерческих и промышленных зданиях.
-
Мощность: Если у вас есть высокая потребность в мощности (например, в большом промышленном предприятии), вероятно, вам потребуется трехфазный счетчик, так как он способен измерять более высокие уровни мощности. Однофазные счетчики обычно используются в меньших домах и малых коммерческих зданиях с низкой потребностью в мощности.
-
Сложность подключения: Трехфазное электрооборудование и счетчики могут быть более сложными в установке и подключении, чем однофазные. Если у вас нет опыта в работе с трехфазными системами, вам может потребоваться помощь квалифицированного электрика.
-
Цена: Трехфазные счетчики обычно дороже, чем однофазные, из-за их более сложной конструкции и способности измерять более высокие мощности. Вам следует учитывать этот фактор при выборе счетчика.
-
Законодательство и нормы: Проверьте местные законы и нормы, которые могут регулировать выбор счетчика. В некоторых случаях, в зависимости от местоположения и типа недвижимости, может быть предписано использование определенного типа счетчика.
Обычно однофазные счетчики используются в домах и небольших коммерческих объектах с низкой потребностью в электроэнергии, а трехфазные счетчики применяются в более крупных коммерческих и промышленных предприятиях, где требуется более высокая мощность. Но для точного выбора всегда лучше консультироваться с местным электроснабжающим предприятием или специалистом в области электроэнергетики, так как требования могут различаться в зависимости от региона и условий.
