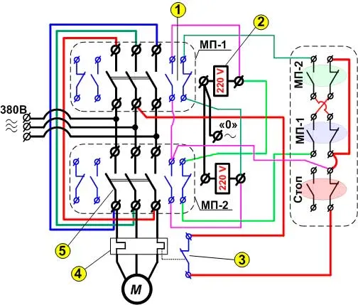
Подключение кнопочного поста к магнитному пускателю
|
Что входит в состав магнитного пускателя?
Магнитный пускатель — это электромеханическое устройство, используемое для управления электрическими моторами, а также другими устройствами, требующими пуска и остановки. Состав магнитного пускателя может немного различаться в зависимости от его конструкции и назначения, но обычно он включает в себя следующие основные компоненты:
-
Электромагниты: Магнитные пускатели обычно имеют один или несколько электромагнитов. Электромагниты создают магнитное поле, которое приводит в движение механизмы пускателя.
-
Контакторы: Контакторы — это коммутационные устройства, которые управляют электрическим током, переключая его между различными контактами. Они могут иметь катушку, подключенную к электромагниту, и контакты, которые открываются или закрываются при активации магнита.
-
Тепловое реле: Некоторые магнитные пускатели могут быть оснащены тепловым реле, которое служит для защиты мотора от перегрева. Тепловое реле реагирует на уровень тока и температуры и может прекращать подачу питания мотору в случае определенных аварийных ситуаций.
-
Механизмы управления: Магнитные пускатели могут иметь кнопки, переключатели и другие элементы управления, которые позволяют оператору включать, выключать и контролировать работу моторов.
-
Защитные кожухи и корпуса: Для обеспечения безопасности и защиты от пыли и влаги магнитные пускатели могут быть оборудованы кожухами и корпусами.
-
Схемы управления: Комплексные магнитные пускатели могут включать в себя схемы управления, которые определяют последовательность действий при пуске и остановке мотора.
-
Сигнальные элементы: Некоторые магнитные пускатели могут быть оснащены сигнальными элементами, такими как индикаторы состояния или звуковые сигналы, для обозначения работы пускателя.
Состав и конфигурация магнитного пускателя могут различаться в зависимости от его спецификаций, но вышеуказанные компоненты представляют основные элементы, которые часто присутствуют в таких устройствах.


Снимаем контактный механизм одной кнопки.
Из чего состоит контактный механизм.
Подвижный, нормально разомкнутый контакт.


